// //
RAÍL JF FIJACIÓN DE CARROS
522020-3000 522020-3000

RAÍL JF FIJACIÓN DE CARROS

Raíl JF sujeción de carros

Descripción:

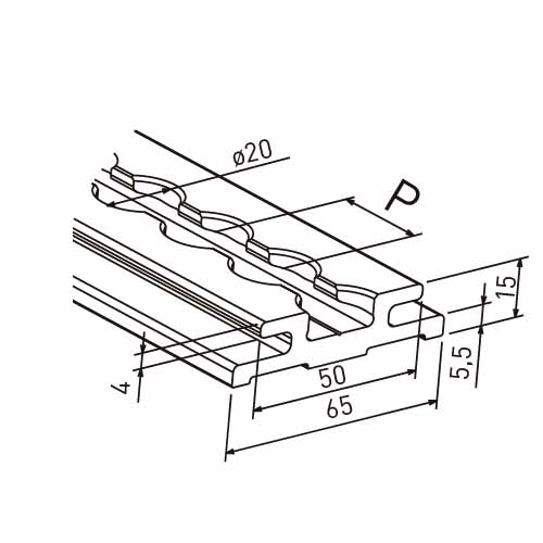
Raíl JF para la sujeción de carros y amarre de roll-contenedores, contenedores isotérmicos, estanterías con ruedas, carros de flores y plantas, yogures, pastelería y bollería, etc.

Material

Aluminio

Ancho

3000 mm

Peso

4,295Kg

Características

Al solicitar las pinzas del sistema es necesario informar del diámetro del tubo del carro. Existen diferentes pinzas que se adaptan a los distintos diámetros de tubos.

Uso

Interior furgón
Nosotros y terceros, como proveedores de servicios, utilizamos cookies y tecnologías similares (en adelante “cookies”) para proporcionar y proteger nuestros servicios, para comprender y mejorar su rendimiento y para publicar anuncios relevantes. Para más información, puede consultar nuestra Política de Cookies. Seleccione “Aceptar cookies” para dar su consentimiento o seleccione las cookies que desea autorizar. Puede cambiar las opciones de las cookies y retirar su consentimiento en cualquier momento desde nuestro sitio web.
Cookies autorizadas:
Más detalles